
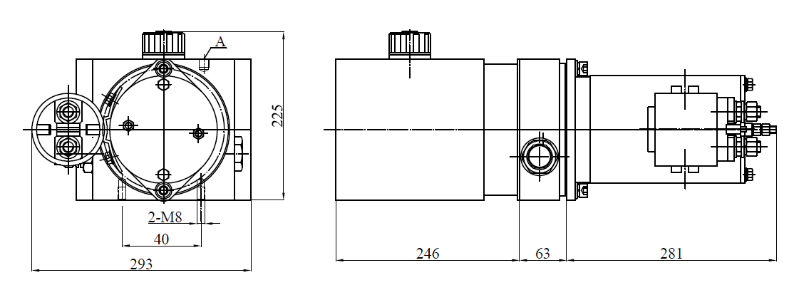
1.液(ye)壓系統壓力: 100/65 bar
2.液壓(ya)油箱體積:1L
3.液壓泵(bèng)排量:0.25,0.5 cc/r
4.電機功率:0.5KW ; DC 12/10V
5.電(dian)機轉速:2000r/min
6.功能:提供(gòng)液壓動力源
7.油箱(xiāng)顔色:默認紅色/白(bái)色塑料
8.安裝方式(shi):卧式
9.油箱材料:鐵(tiě)皮(1-1,5mm),工程塑料
10.應用(yòng)場合: 醫療設備中(zhōng)的電動手術床

**為(wéi)電磁換向閥電壓(ya)